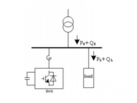
مولد فار الثابت (SVG) Static Var Generator
يستخدم مولد فار الساكن (مولد var) عالي الجهد من سلسلة RSVG خوارزمية الطاقة التفاعلية اللحظية لحساب معدل تغير الطاقة التفاعلية وتوفير تعويض ديناميكي للطاقة التفاعلية لتحسين عامل الطاقة واستقرار الشبكة، مما يضمن بشكل فعال التشغيل الآمن والموثوق للشبكة. كما يحقق استخدام وحدة التحكم DSP FPGA تحكمًا رقميًا بالكامل، ويمكن تنفيذ الجهد والتيار الموثوق به استنادًا إلى الحلقة الرقمية المغلقة ووسائل تحويل طور الناقل. فضلاً عن ذلك، توفر الألياف الضوئية لنقل الإشارة فصل الجهد العالي وبالتالي تحسين موثوقية واستقرار مولد فار الثابت (مولد فار الساكن static var generator). وتتميز وحدة الجسر H-الجسر المكونة من أجهزة IGBT بطوبولوجيا بسيطة مع أداء موثوق به. كما ان جهد الخرج عبارة عن موجة متدرجة متعددة المستويات، ودرجة الجيب جيدة بعد تصفية مفاعل الخرج. علماً أنه يمكن تصنيف هذا المولد المتغير الثابت عالي الجهد كمحول مثالي خالٍ من التوافقيات بفضل مستويات جهد الخرج المتعددة وطيف التوافقيات الأفضل.
يتكون المولد هذا سلسلة RSVG من وحدة تحكم ووحدة طاقة ووحدة شحن وجهاز تبريد، حيث يتم توصيل وحدة الطاقة الخاصة بوحدة الطاقة بشبكة الطاقة من خلال طريقة توصيل Y أو توصيل دلتا.
- محطات التحويل الرئيسية في الشبكة الكهربائية: تحسن من استقرارية جهد الحالة العابرة للتظام وتضمن أمان تشغيل النظام.
- توليد طاقة الرياح: تحسن من استقرار جهد قضيب التوصيل ومنع التذبذبات.
- صناعة المعادن، الصناعة الدوائية، المناجم والسكك الحديدية الكهربائية: منع أضطرابات الجهد، تعويض الحمل غير المتزن، ترشيح توافقيات الحمل وتحسين معامل القدرة للحمل.
- الصناعات الأخرى: منع الأضظرابات في الجهد، ترشيح توافقيات الحمل وتحسين معامل القدرة للحمل.
- مولد فار ثابت عالي الجهد سلسلة RSVG
- مولد فار ثابت عالي الجهد سلسلة RSVG – مولد فار ساكن متسلسل بجهد 10 كيلو فولت
- مولد فار ثابت عالي الجهد سلسلة RSVG – مولد فار ساكن أحادي الطور بجهد 27.5 كيلو فولت
- مولد فار ثابت عالي الجهد سلسلة RSVG – مولد فار ساكن متسلسل بجهد 35 كيلو فولت
- طريق التوصيل: توصيل واي / توصيل دلتا
- موقع التركيب: داخلي
- طريقة التبريد: تبريد بالهواء
- رقم مرحلة التعويض: ثلاثي الطور T / أحادي الطورS
- مستوى الجهد لنقطة الوصول (كيلو فولت) / مستوى الانخفاض (كيلو فولت)
- طريق التوصيل: توصيل واي / توصيل دلتا
- موقع التركيب: خارجي
- طريقة التبريد: تبريد بالهواء
- رقم مرحلة التعويض: ثلاثي الطور T / أحادي الطورS
- مستوى الجهد لنقطة الوصول (كيلو فولت) / مستوى الانخفاض (كيلو فولت)
- طريق التوصيل: توصيل واي / توصيل دلتا
- موقع التركيب: داخلي
- طريقة التبريد: تبريد بالمياه
- رقم مرحلة التعويض: ثلاثي الطور T / أحادي الطورS
- مستوى الجهد لنقطة الوصول (كيلو فولت) / مستوى الانخفاض (كيلو فولت)
- طريق التوصيل: توصيل واي / توصيل دلتا
- موقع التركيب: خارجي
- طريقة التبريد: تبريد بالمياه
- رقم مرحلة التعويض: ثلاثي الطور T / أحادي الطورS
- مستوى الجهد لنقطة الوصول (كيلو فولت) / مستوى الانخفاض (كيلو فولت)
- طريق التوصيل: توصيل واي / توصيل دلتا
- موقع التركيب: داخلي
- طريقة التبريد: تبريد بالهواء
- رقم مرحلة التعويض: ثلاثي الطور T / أحادي الطورS
- مستوى الجهد لنقطة الوصول (كيلو فولت) / مستوى الانخفاض (كيلو فولت)
- طريق التوصيل: توصيل واي / توصيل دلتا
- موقع التركيب: خارجي
- طريقة التبريد: تبريد بالهواء
- رقم مرحلة التعويض: ثلاثي الطور T / أحادي الطورS
- مستوى الجهد لنقطة الوصول (كيلو فولت) / مستوى الانخفاض (كيلو فولت)
- طريق التوصيل: توصيل واي / توصيل دلتا
- موقع التركيب: داخلي
- طريقة التبريد: تبريد بالمياه
- رقم مرحلة التعويض: ثلاثي الطور T / أحادي الطورS
- مستوى الجهد لنقطة الوصول (كيلو فولت) / مستوى الانخفاض (كيلو فولت)
- طريق التوصيل: توصيل واي / توصيل دلتا
- موقع التركيب: خارجي
- طريقة التبريد: تبريد بالمياه
- رقم مرحلة التعويض: ثلاثي الطور T / أحادي الطورS
- مستوى الجهد لنقطة الوصول (كيلو فولت) / مستوى الانخفاض (كيلو فولت)
- طريق التوصيل: توصيل واي / توصيل دلتا
- موقع التركيب: داخلي
- طريقة التبريد: تبريد بالهواء
- رقم مرحلة التعويض: ثلاثي الطور T / أحادي الطورS
- مستوى الجهد لنقطة الوصول (كيلو فولت) / مستوى الانخفاض (كيلو فولت)
- طريق التوصيل: توصيل واي / توصيل دلتا
- موقع التركيب: خارجي
- طريقة التبريد: تبريد بالهواء
- رقم مرحلة التعويض: ثلاثي الطور T / أحادي الطورS
- مستوى الجهد لنقطة الوصول (كيلو فولت) / مستوى الانخفاض (كيلو فولت)
- طريق التوصيل: توصيل واي / توصيل دلتا
- موقع التركيب: داخلي
- طريقة التبريد: تبريد بالمياه
- رقم مرحلة التعويض: ثلاثي الطور T / أحادي الطورS
- مستوى الجهد لنقطة الوصول (كيلو فولت) / مستوى الانخفاض (كيلو فولت)
- طريق التوصيل: توصيل واي / توصيل دلتا
- موقع التركيب: خارجي
- طريقة التبريد: تبريد بالمياه
- رقم مرحلة التعويض: ثلاثي الطور T / أحادي الطورS
- مستوى الجهد لنقطة الوصول (كيلو فولت) / مستوى الانخفاض (كيلو فولت)
- طريق التوصيل: توصيل واي / توصيل دلتا
- موقع التركيب: داخلي
- طريقة التبريد: تبريد بالهواء
- رقم مرحلة التعويض: ثلاثي الطور T / أحادي الطورS
- مستوى الجهد لنقطة الوصول (كيلو فولت) / مستوى الانخفاض (كيلو فولت)
- طريق التوصيل: توصيل واي / توصيل دلتا
- موقع التركيب: خارجي
- طريقة التبريد: تبريد بالهواء
- رقم مرحلة التعويض: ثلاثي الطور T / أحادي الطورS
- مستوى الجهد لنقطة الوصول (كيلو فولت) / مستوى الانخفاض (كيلو فولت)
- طريق التوصيل: توصيل واي / توصيل دلتا
- موقع التركيب: داخلي
- طريقة التبريد: تبريد بالمياه
- رقم مرحلة التعويض: ثلاثي الطور T / أحادي الطورS
- مستوى الجهد لنقطة الوصول (كيلو فولت) / مستوى الانخفاض (كيلو فولت)
- طريق التوصيل: توصيل واي / توصيل دلتا
- موقع التركيب: خارجي
- طريقة التبريد: تبريد بالمياه
- رقم مرحلة التعويض: ثلاثي الطور T / أحادي الطورS
- مستوى الجهد لنقطة الوصول (كيلو فولت) / مستوى الانخفاض (كيلو فولت)

